|
一、概述 本機是一種小型的潤滑泵,可直接安裝于機器的壁板或機架上,由人力扳動手柄,排出潤滑脂,可與雙線分配器組成手動集中潤滑系統(tǒng),向機器的各個潤滑點供送定量潤滑脂;適用于頻率較低(一般給油間隔8小時以上),配管(DN 15)長度不超過50米,潤滑點不超過80點的單機小型設備上,作為集中潤滑供送潤滑脂的裝置。
|
| |
|
二、技術參數
|
型 號 |
公稱壓力Mpa |
給油量ml/循環(huán) |
貯油筒容積 |
重量kg |
|
標準型號 |
引進型號 |
|
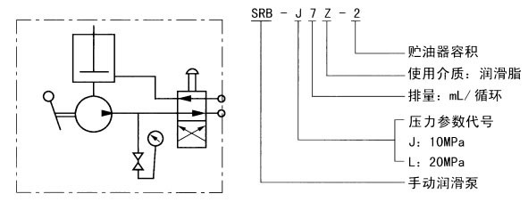
SRB-J7Z-2 |
FB-4A |
10 |
7 |
2 |
18 |
|
SRB-J7Z-5 |
FB-6A |
5 |
21 |
|
SRB-J3.5Z-2 |
FB-42A |
20 |
3.5 |
2 |
18 |
|
SRB-J3.5Z-5 |
FB-62A |
5 |
21 | 使用介質為錐入度310-385(25℃,150g)1/10mm的潤滑脂(NLGI0#-1#)和粘度等級大于N68的潤滑油,適用環(huán)境溫度-10℃~40℃。 |
| 三、原理圖 |
|
 |
| |
| 四、外形尺寸 |
 |
|
型號 |
H |
H1 |
|
SRB-J7Z-2 |
576 |
370 |
|
SRB-J7Z-5 |
1196 |
680 |
|
SRB-J3.5Z-2 |
576 |
370 |
|
SRB-J3.5Z-5 |
1196 |
680 | |
| |
| 五、動作說明 |
手動潤滑泵供脂是由人工擺動手柄,通過小齒輪帶動有齒條的供油柱塞往復運動實現的。當柱塞處于右端極限位置時,右端腔室壓油結束,左端腔室吸油完畢。當擺動手柄,柱塞向左運動時,先關閉左腔室吸口,擠壓潤滑脂頂開單向閥經換向閥流道進入供油主管路Ⅱ內排出;此時柱塞右腔室的容積增大形成真空,其真空度逐漸增大,當柱塞運動到左端極限位置,右腔室吸口打開,在大氣的作用下,潤滑脂被吸入,反向上述動作,潤滑脂頂開單向閥經換向閥流道進入供油主管路JJ排出。供油過程中的換向是通過換向閥的換向實現的。當把換向閥手鈕推進時,則潤滑脂從主管路II排出,當把換向閥手鈕拉出時,則潤滑脂從主管路I排出。
|
 |
|
六、操作方法 1、將換向閥手鈕推進至極限位置,供油主管lI供油。 2、擺動手柄前后運動,壓力表指針波動變化,證明系列分配器在給油。 3、泵上壓力表指示壓力值上升保持穩(wěn)定,證明系統(tǒng)分配器全部動作完成。 4、將換向閥手鈕拉出至極限位置,供油主管I供油,按2、3條進行操作。 5、卸除管路壓力,換向至供油主管II,為下一個工作循環(huán)準備,手柄扳至垂直位置。
七、使用說明 1、手動潤滑泵應垂直安裝,泵的上方及周圍要留有指示桿上升及補脂操作的空間,需在室外或環(huán)境惡劣的場合安裝時,應將泵置于防護罩內。 2、貯油器內無潤滑脂時,不許操縱手柄,下油位應及時補脂。 3、向貯油器內加注潤滑脂,必須使用專用的手動或電動加油泵從加油口充填。 4、泵使用壓力不許超過泵的公稱壓力。 5、泵加油口的過濾網應定期檢查、清洗。
|
|
故障現象 |
故障原因 |
排除方法 |
|
泵的輸出壓力升不上去 |
1.壓力表損壞 2.貯油器和配管里進入空氣 3.保險片破裂 4.使用時間很長,柱塞與套過度磨損
|
1.更換壓力表 2.打開排氣閥排氣 3.更換保險片 4.更換零件 |
|
泵的輸出壓力急劇上升 |
1.換向閥換向未到位 2.管路阻塞 3.分配器動作不良 |
1.換向位閥 2.檢查管路 3.觀察分配器動作情況 | |
| |